Er was onlangs enig rumoer rondom de Godsil Manhattan V16 (bovenstaand). Jason Godsil wil de Amerikaanse uberluxe sedans van voor de oorlog nieuw leven inblazen. We hebben het over de tijd dat Duesenberg nog bestond en Cadillac onbetaalbaar was voor gepensioneerde tandartsen in Florida. Het mooie hieraan is dat dit - op het oog kansloze doel - redelijk op schema ligt en dat er een haakje inzit om eens te babbelen over de X16. Want hoewel de Manhattan helaas een V16 krijgt, wilde Godsil aanvankelijk uitpakken met een echt bijzondere motor, een X16.
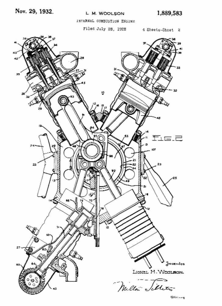
De X verwijst naar de configuratie van de cilinderbanken. Een doorsnede laat een X-vorm zien.
/https%3A%2F%2Fcdn.pijper.io%2Fsource%2Fautobahn%2Fbe84d1e6b3_xxx.jpg)
Het voornaamste voordeel van een X-motor is dat ze compact zijn. Je kunt een enorme hoeveelheid cilinders in beperkte ruimte kwijt. Dat maakte ze dan ook zeer geliefd in vliegtuigen. En als we zeggen 'zeer geliefd', bedoelen we eigenlijk dat ze nooit echt zijn aangeslagen. In de Tweede Wereldoorlog hebben vooral de Duitsers en de Italianen ermee gerommeld. Het is wel tot productie gekomen en ook Rolls-Royce speelde met X24-motoren, maar met de komst van de straalmotoren werd het stil rondom deze kolossen.
Een ander voordeel is dat het ontwerp weliswaar complex is, maar dat er maar één krukas nodig is. Alle zuigerstangen zitten vast aan dezelfde as van het kwaad. Dat maakt ze lichter dan een vergelijkbare H- of W-motor. Helaas zijn ze nog steeds akelig zwaar en is het ontwerp vooral een noodgreep: je kiest vooral voor een X-motor als je V-motoren over hebt, geen geheel nieuw systeem wilt ontwerpen en de V-blokken daarom uit arren moede maar aan elkaar vastmaakt.
Op zich best geinig voor hobbyist, maar niet extreem geschikt om oorlogen mee te winnen. Of auto's mee aan te drijven. Toch jammer.